SURFACE MOUNT DATA



Select another reference:

Network

RTC, ADSL2, VDSL2

Nominal line voltage
Un

180 V

Max. DC operating voltage
Uc

180 Vdc

Max. frequency
f max.

400 MHz

Insertion loss

< 3 dB

Max. load current @25°C
IL

750 mA

Nominal discharge current
C2 Category
In

15 kA

Protection Level
C3 (10/1000μs), 300 applications@10 A, Y-C (Line/Earth)
Up

< 280 V

Impulse current
2 x 10/350µs Test - D1 Category
Iimp

2.5 kA

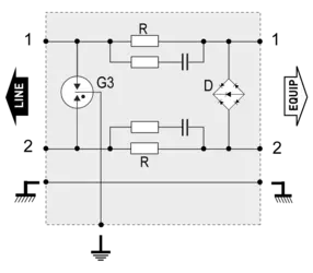
Technology

GDT+TVS diode

Connection to Network

Spring terminal: cross section 0.5-2.5mm²

Format

Wall mounting box

Mounting

Wall mounting by screws (not supplied)

Operating temperature
Tu

-40/+85°C

Protection rating

IP55

Failsafe mode

Short-circuit - transmision cut-off - fault mode 2